Voltbox

Aus Psiram
Zur Navigation springen Zur Suche springen
Werbung zur Voltbox der Firma UAB CommerceCore aus Kaunas
Werbung unter dem Namen Voltplug im Juli 2022
Präsentierte "Voltbox-Gründer" (Bild: Voltbox) stammen aus einer kostenpflichtigen Foto-Datenbank, und zeigen somit nicht die Firmengründer oder Inhaber, sondern Fotomodelle.
Geöffnete Voltbox mit CE-Zeichen. Deutlich ist ein vergossener bipolarer Kondensator zu sehen (rechts), sowie eine einfache Steuerschaltung zum Betrieb einer LED am Stromnetz. Bei dem schwarzen Kondensator handelt es sich um einen handelsüblichen bipolaren Folienkondensator, wie er bei vielen Kleinmotoren wie Ventilatoren eingebaut wird. (Bild: Heise)
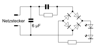
Vom Magazin ct/Heise rekonstruierter Schaltplan der Voltbox
Schaltung des ähnlichen Produkts E-Fixx. Hier fehlt nur die Sicherung und der Varistor.
Platine der Voltbox (Bild: Mikrokontroller.net)
Fehler beim Erstellen des Vorschaubildes: Datei fehlt
Platine einer Voltbox aus Japan

Voltbox (auch Ecotex, Voltplug, NeoWatt, EnergyFix, Pro Power Save, StopWatt, sowie weitere Markennamen) ist der Name eines Scharlatanerieprodukts aus em Bereich der "Energiesparboxen" zur vermeintlichen Einsparung von elektrischer Energie, das sich lediglich als kleine Nachtbeleuchtung eignet. Für den europäischen Markt wird die Voltbox von einem US-amerikanischen-litauischen Händler mit Telefonnummer in Los Angeles (USA)[1]für rund 60 € angeboten. Ein baugleiches Modell mit anderem Markennamen wird bei Ebay von einem chinesischen Händler für 6,18 € angeboten. Ohne plausible Begründung soll das Produkt bis zu 90% der Stromkosten sparen. Der behauptete Wundereffekt stelle sich jedoch erst nach 60 Tagen ein. Gleichzeitig bietet der Anbieter eine Rückgabe und Rückerstattung des Kaufpreises innerhalb von 60 Tagen an. Zur Voltbox existieren auf dem Markt für Scharlatanerieprodukte zahlreiche analoge oder baugleiche Produkte mit Namen wie Ecotex (gleiche Werbung, aber mit Briefkastenadresse in London[2]), Power Saver, Power saving box, NeoWatt oder Voltplug[3] usw.

Das Schweizer Fernsehen befasste sich mit der Voltbox in der Sendung "Kassensturz". Die Voltbox wurde bei dieser Gelegenheit als "Beschiss" bezeichnet. Die Voltbox soll den Stromverbrauch im Haus reduzieren und ungesunden Strom harmonisieren – ein Schwindel. Das Produkt wurde von der Schweizer Hochschule für Technik in Windisch untersucht, die feststellte: "Das Messresultat ist klar: Die Voltbox spart keinen Strom, sondern führt im Gegenteil zu erhöhtem Verbrauch."[4]

Der Anbieter zeigt ein Gruppenfoto, auf dem angeblich die Gründer der Firma zu sehen sind. Tatsächlich stammt das Foto jedoch aus einer Sammlung von käuflich erhältlichen Werbebildern, die darauf abgebildeten Personen sind nur Fotomodelle. In der an deutsche Kunden gerichteten Werbung wird von einem "in Deutschland ansässigen Startup" gesprochen, in der Schweizer Werbung heisst es aber gleichzeitig, dass es sich um ein in der "Schweiz ansässiges Startup" handele.

Warnung: Bei Geräten wie Voltbox oder E-Fixx kann der eingebaute Kondensator beim Abziehen der Voltbox eine (über 300 V) Hochspannung speichern, und einen Benutzer (etwa ein spielendes Kind) durch einen Stromschlag verletzen, falls nach dem Abziehen die Kontakte berührt werden. Die Selbstentladung des Kondensators und der Strom durch die LED führen mit der Zeit jedoch zur Entladung. Diesen Geräten fehlt eine Schutzschaltung zum Schutz vor einem Stromschlag nach Abziehen aus der Steckdose. Bei mehreren Produkten wurde das "Innenleben" inspiziert, dazu sind entsprechende Videos bei Youtube zu finden. In einem Falle wurde die Kapazität des ausgelöteten Kondensators mit 3 µF ausgemessen. Bei mindestens zwei Modellen aus der Voltbox/Ecotex/Power Saver - Reihe wurde festgestellt, dass der Kondensator entweder mit einem Pol nicht angeschlossen war, oder beide Pole kurzgeschlossen waren. Damit wird der Kondensator dann funktionslos und die Stromschlaggefahr durch diesen Kondensator liegt dann nicht vor.

Werbebehauptungen

Nach Werbeangaben solle das Produkt Voltbox alleine durch das Einstecken in eine Steckdose "bis zu 90 Prozent" der Stromrechnung sparen können. Dies solle durch eine "bahnbrechende Stromstablisierungstechnologie (EST) mit Blindleistungskompensation" geschehen, die den Stromfluss stabilisieren und die Effizienz erhöhen soll. Ausserdem seien Nutzer weniger Elektrosmog ausgesetzt. Auch soll ein Kondensator schädliche Spannungsspitzen begrenzen.

Das Portal Heise befasste sich mit der Voltbox und den Werbebehauptungen und übernahm einen Artikel des Autors Ernst Ahlers (ct Magazin, 23.11.2021). Darin heisst es zum Kompensation von Blindströmen bei der Voltbox:

..Eine Blindleistungskompensation wäre bei induktiven Verbrauchern (Motoren, Elektromagneten) zwar mit parallel geschalteten Kondensatoren möglich. Doch die müssten dann einerseits so groß sein, dass sie nicht in das Kästchen passen, und andererseits mit dem Verbraucher ein- und ausgeschaltet werden. Ohnehin müssen die meisten elektrischen Verbraucher, die nennenswert Leistung aufnehmen, seit 2001 ab Werk mit einer Power-Factor-Correction ausgestattet sein. Das macht die Voltbox in Sachen Spannungsqualität für alle praktischen Belange überflüssig..[5]

In der Werbung beruft man sich auch auf Nikola Tesla, der dabei fälschlich Ingenieur bezeichnet wird:

..Es nennt sich Voltbox und seine Technologie wurde ursprünglich von niemand Geringerem als dem legendären serbisch-amerikanischen Erfinder, Elektroingenieur, Maschinenbauingenieur und Futuristen Nikola Tesla entwickelt..

Funktionsprinzip und Messergebnisse

Das tatsächliche Funktionsprinzip entspricht dem des Produkts E-Fixx, dessen Verkauf 2011 eingestellt wurde. Die Voltbox leitet nicht wie viele andere Scharlataneriepridukte zum Energiesparen den Strom durch, sondern der kleine Kasten wird einfach in eine freie Steckdose eingesteckt, was dann eine kleine Leuchtdiode zum Leuchten bringt. Neben einer einfachen Schaltung zur Steuerung der LED (Brückengleichrichter und Widerstände zur Strombegrenzung) findet sich in der Voltbox (und E-Fixx) ein Kondensator, der theoretisch Blindströme durch betriebene Motoren (etwa Haushaltsstaubsauger) kompensieren könnte. Dies ist jedoch für die Stromrechnung von Privatpersonen irrelevant. Hinzu kommt ein Varistor (RV1, Bauelement, das Überspannungen "kurzschließt").

Über einen Test der Voltboy schreibt ct/Heise 2021:

..An der Wirkleistung der heimischen Verbraucher, die über die Betriebszeit zur bezahlten Energie wird, kann die Voltbox aber nichts drehen. Das bestätigte uns der VDE: "Das Produkt weist keinerlei Merkmale auf, die dem Produktversprechen entsprechen."
Dazu machte das VDE Prüf- und Zertifizierungsinstitut in Offenbach einen Versuch mit einem Hi-Fi-Verstärker als Verbraucher, der einen ausgeprägt nichtlinearen Strom zieht, was einen hohen Blindleistungsanteil bewirkt. Hier sollte die Voltbox ja ihr Wunder wirken können. Doch nach dem Einstecken des Kästchens zog das System sogar einen Tick mehr Wirkleistung statt deutlich weniger. Bei 0,3 Watt Leistungsaufnahme halten sich die jährlichen Stromkosten der Voltbox selbst mit rund einem Euro aber im Rahmen. Wenn das Gerät nicht beim Energiesparen hilft, dann hat es vielleicht andere Funktionen..[..]..Das einzig Wirksame an der Voltbox ist neben der Nachtlichtfunktion also ihre Überspannungsbegrenzung. Die ist aber auch nur halbgar, denn Überspannungen können auch zwischen den Netzpolen (Außenleiter L und Neutralleiter N) und dem Schutzleiter PE auftreten – der an der Voltbox aber fehlt. Gute Überspannungsableiter haben deshalb drei Varistoren sowie zusätzlich oft auch Gasableiter für stärkere Störpulse..

Nach Angaben des ct-Artikels handele es sich bei dem rechteckigen dunkelgrauen Element um ein funktionsloses Element, das mit einem Pol nicht mit der Netzleitung verbunden sei. Ein Radiologe machte auch ein Röntgenbild des Elements (siehe Artikel). Leider wurde keine Kapazitätsmessung des ausgelöteten Bauerlements gemacht. In der Werbung zum Produkt und in der Werbung für baugleiche Produkte wird ein Kondensator explizit erwähnt.

Bei der Öffnung des fast baugleichen Produkts "Power Saver" zeigt sich[6], dass ein Kondensator mit seinen zwei Polen an einen gemeinsamen Pol gelötet wurde, was ihn damit funktionslos macht.

Galerie

Siehe auch

Weblinks


Quellennachweise

  1. Voltbox, 919 3rd Ave, New York, NY 10022, United States
    UAB CommerceCore, Savanoriu pr. 363, LT-51480 Kaunas, Lithuania, +1 (323) 458-5841
  2. Ecotex, Suite, 93, 101 Greenfield Rd, London E1 1EJ, United Kingdom
  3. Voltplug, Suite, 93, 101 Greenfield Rd, London E1 1EJ, United Kingdom
    Telefon: +1 (985) 331-7136, E-Mail: support@getvoltplug.com
  4. https://www.srf.ch/news/panorama/voltbox-reinfall-per-internet-stromsparwunder-ist-ein-bschiss
  5. https://www.heise.de/ratgeber/Fragwuerdiger-Stromfilter-Warum-Voltbox-nutzloser-Nepp-ist-6270907.html
  6. https://www.youtube.com/watch?v=yA5G7kR_xa8