ESaver
Der eSaver ist eine Vorrichtung, durch deren Einsatz angeschlossene Elektrogeräte laut Werbung 15% bis 25% weniger Energie verbrauchen sollen. Unabhängige Gutachten zum Produkt eSaver werden von den Anbietern nicht genannt. Ursprünglich handelte es sich offenbar um ein Produkt der Schweizer Firma Medialectrix,[1] die sich seit 2018 in Liquidation befindet.[2] Mittlerweile werden die Geräte von der eSaver GmbH aus Böblingen und später 71139 Ehningen verkauft.[3] Daneben existiert noch eine eSaver Nord GmbH mit Sitz in Köln. Aufmerksamkeit hat der eSaver u.a. durch einen unkritischen Bericht des Bayerischen Rundfunks bekommen.[4] Offenbar werden eSaver nur an Kunden mit hohem Stromverbrauch (genannt werden mindestens 2.000 € monatliche Stromkosten) verkauft.
Funktionsprinzip
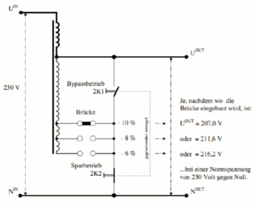
Die Firma Medialectrix argumentiert, dass man elektrische Geräte mit niedrigerer Spannung betreiben könne als mit der vom Stromnetz gelieferten Spannung, weil bei der Netzspannung mit ihrem Nennwert von 230 Volt in Europa eine Toleranz von ± 10% erlaubt ist. Reduziert man die Spannung von 100% auf beispielsweise 90%, ergäbe sich gemäß des Ohmschen Gesetzes eine Verminderung des Stromes auf ebenfalls 90%. Die aufgenommene Leistung eines Gerätes und damit der Energieverbrauch sänke auf 0,9⋅0,9 = 81%.[6] Der unvermeidliche Eigenverbrauch des esaver wird mit 0,6-0,8% angegeben. Den Angaben der Medialectrix AG zufolge ist der eSaver ein gewöhnlicher Transformator mit drei Anzapfungen, mit dem die Eingangsspannung wahlweise um 6%, 8% oder 10% verringert werden kann.[5][7]
Tatsächlich beruht der vermeintliche Einspareffekt aber nur darauf, dass dem Stromnetz einfach weniger Energie entnommen wird: Lampen leuchten an der verringerten Spannung entsprechend dunkler, Heizgeräte heizen schwächer. Die gleichen 20% "Einsparung" ergäbe sich – ohne Investition in den ESaver – auch, indem man die Leistung der Geräte entsprechend reduziert, schwächere Lampen verwendet oder die Betriebsdauer um 20% verkürzt. Bei Heizgeräten wird durch das Reduzieren der Betriebsspannung unter Umständen überhaupt nicht weniger Energie verbraucht. Denn der Energiebedarf eines Bügeleisens z.B. wird dadurch geregelt, dass dessen Heizelement von einem Thermostat ein- und ausgeschaltet wird; bei niedrigerer Spannung sind die Einschaltphasen einfach entsprechend länger.
Moderne, energieeffiziente Geräte arbeiten heute mit Schaltnetzteilen. Zu nennen sind Fernsehgeräte, Computer, Drucker und Steckernetzteile für Mobiltelefone. Diese gleichen eine geringere Eingangsspannung durch eine erhöhte Stromaufnahme wieder aus. Auch moderne Kühlschränke arbeiten mittlerweile mit Invertertechnolgie. Diese Schaltungstechnik erlaubt es in manchen Fällen sogar, einen Verbraucher an ein beliebiges Netz mit einer Spannung zwischen 110 und 240 V zu schalten, ohne dass mit einem Schalter umgeschaltet werden muss.
Zu bedenken ist außerdem, dass eine Verringerung der Betriebsspannung netzbetriebener Geräte nur dann unbedenklich ist, wenn die Netzspannung beim Anwender ausreichend hoch ist. Ist das nicht der Fall (Beispiel Steckdose am Ende eines Stromkreises), betreibt man seine Geräte unter Umständen unterhalb des zulässigen Bereichs.
Siehe auch
- Strombooster
- E-Fixx
- ES-Transformer
- Fostac Maximus und EO2000
- Ultra Box
- Betrugsprodukt Halbstrom von Rainer von Holst
Quellennachweise
- ↑ Medialectrix AG, Gewerbestrasse 5, CH-6330 Cham (ZG), seit 2016 Medialectrix SA, Voie du Chariot 3, 1003 Lausanne
- ↑ https://www.zefix.ch/de/search/entity/list/firm/413516?name=Medialectrix
- ↑ eSaver GmbH, Galgenbergstraße. 3, 71032 Böblingen
Stand 2023: eSaver GmbH, Geschäftsführerin Frau Susanne Stäfe, Im Letten 16/1, D-71139 Ehningen
Tel.: +49 7034930050 Fax.: +4970349300 52. Registergericht: Amtsgericht Stuttgart. Geschäftsführerin ist die Österreicherin Susanne Stäfe. - ↑ Die Stromspar-Bäckerei. Beitrag in der Fernsehsendung Frankenschau Aktuell des Bayerischen Rundfunks vom 7. März 2013
- ↑ 5,0 5,1 http://www.medialectrix.eu/esaver/media/files/eSaver_Techn_Info_german.pdf
- ↑ http://www.medialectrix.eu/esaver/stromsparen-wie-01.html
- ↑ Der eSaver-Transformator ist als so genannter Spartransformator ausgeführt (die Bezeichnung hat nichts mit Stromsparen zu tun, sondern rührt daher, dass ein Spartransformator keine getrennte Primär- und Sekundärwicklung hat, sondern mit einer einzigen Wicklung auskommt).