E-Fixx: Unterschied zwischen den Versionen

Aus Psiram
Zur Navigation springen Zur Suche springen
Zeile 8: Zeile 8:
 
==Aufbau==
 
==Aufbau==
 
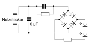
Im Gerät ist entgegen den Aussagen des Anbieters kein Mikrocontroller eingebaut. Es enthält lediglich zwei Kondensatoren, einen Brückengleichrichter, zwei Widerstände und zwei Leuchtdioden. Im Wesentlichen besteht es aus einem Kondensator von 6 µF, der parallel zum Netztanschluss liegt. Die übrigen Bauteile dienen nur zur Stromversorgung der beiden Leuchtdioden auf der Frontplatte.
 
Im Gerät ist entgegen den Aussagen des Anbieters kein Mikrocontroller eingebaut. Es enthält lediglich zwei Kondensatoren, einen Brückengleichrichter, zwei Widerstände und zwei Leuchtdioden. Im Wesentlichen besteht es aus einem Kondensator von 6 µF, der parallel zum Netztanschluss liegt. Die übrigen Bauteile dienen nur zur Stromversorgung der beiden Leuchtdioden auf der Frontplatte.
 +
 +
==Test des Vereins für Konsumenteninformation==
 +
Das Gerät wurde vom österreichischen Verein für Konsumenteninformation (VKI) getestet. In dem Test wurde der Stromverbrauch mit und ohne E-Fixx gemessen. Dabei konnten dabei keine signifikanten Unterschiede festgestellt werden.<ref>[http://www.konsument.at/cs/Satellite?pagename=Konsument/MagazinArtikel/Detail&cid=318879800452 Stromspargerät von e-fixx. Keine Wirkung] Konsument Heft 2/2012, Seite 9</ref>
  
 
==Positives Gutachten==
 
==Positives Gutachten==
 
Von der H.M.S GmbH wurde ein Gutachten des Wirschaftsinformatikers Dominic Neumann aus Graz präsentiert, der "allgemein beeideter und gerichtlich zertifizierter Sachverständiger für Informationstechnologie" und in Graz Gemeinderatsmitglied für die ÖVP ist. Neumann bescheinigt eine Stromersparnis von "12-13 Prozent" durch E-Fixx. Dazu habe er eine Woche lang auf nicht näher genannte Weise an verschiedenen elektischen Geräten in seinem Wohnzimmer gemessen.<ref name="Gutachten"/> Der Text ist in werbendem Stil gehalten und gibt unkritisch Behauptungen der Firma H.M.S. zur angeblichen Funktionsweise wieder. Auch findet sich die Passage, "dass die Einsparung von einem Kilowatt produzierten Strom ca. 2,67&nbsp;kg CO<sub>2</sub> einspart. Somit unterstützt das e-Fixx X-Home Stromsparsystem auch die CO<sub>2</sub> Einsparung bei privaten Haushalten." Üblicherweise wird für eine Kilowattstunde nur rund ein Fünftel der von Neumann genannten CO<sub>2</sub>-Menge gerechnet.
 
Von der H.M.S GmbH wurde ein Gutachten des Wirschaftsinformatikers Dominic Neumann aus Graz präsentiert, der "allgemein beeideter und gerichtlich zertifizierter Sachverständiger für Informationstechnologie" und in Graz Gemeinderatsmitglied für die ÖVP ist. Neumann bescheinigt eine Stromersparnis von "12-13 Prozent" durch E-Fixx. Dazu habe er eine Woche lang auf nicht näher genannte Weise an verschiedenen elektischen Geräten in seinem Wohnzimmer gemessen.<ref name="Gutachten"/> Der Text ist in werbendem Stil gehalten und gibt unkritisch Behauptungen der Firma H.M.S. zur angeblichen Funktionsweise wieder. Auch findet sich die Passage, "dass die Einsparung von einem Kilowatt produzierten Strom ca. 2,67&nbsp;kg CO<sub>2</sub> einspart. Somit unterstützt das e-Fixx X-Home Stromsparsystem auch die CO<sub>2</sub> Einsparung bei privaten Haushalten." Üblicherweise wird für eine Kilowattstunde nur rund ein Fünftel der von Neumann genannten CO<sub>2</sub>-Menge gerechnet.
  
Auf Nachfrage des österreichischen Vereins für Konsumenteninformation (VKI) teilte der Händler H.M.S GmbH mit, dass "Bedenken über die Echtheit des Gutachtens gekommen" seien und man deshalb den Vertrieb am 16.11.2011 eingestellt und Kunden das Geld zurückgezahlt habe. Gutachter Neumann habe dem VKI gegenüber erklärt: "Mir wurde ein Gerät vorgelegt, das die Eigenschaften erfüllt. Es enthielt einen Mikrochip zur Stromersparnis. Das von der Firma verkaufte Seriengerät ist anders."<ref name="Stellungnahme"/>
+
Auf Nachfrage des VKI teilte der Händler H.M.S GmbH mit, dass "Bedenken über die Echtheit des Gutachtens gekommen" seien und man deshalb den Vertrieb am 16.11.2011 eingestellt und Kunden das Geld zurückgezahlt habe. Gutachter Neumann habe dem VKI gegenüber erklärt: "Mir wurde ein Gerät vorgelegt, das die Eigenschaften erfüllt. Es enthielt einen Mikrochip zur Stromersparnis. Das von der Firma verkaufte Seriengerät ist anders."<ref name="Stellungnahme"/>
 
 
==Test des Vereins für Konsumentenschutz==
 
Das Gerät wurde vom österreichischen Verein für Konsumentenschutz (VKI) getestet. In dem Test wurde der Stromverbrauch mit und ohne E-Fixx gemessen. Dabei konnten dabei keine signifikanten Unterschiede festgestellt werden.<ref>[http://www.konsument.at/cs/Satellite?pagename=Konsument/MagazinArtikel/Detail&cid=318879800452 Stromspargerät von e-fixx. Keine Wirkung] Konsument Heft 2/2012, Seite 9</ref>
 
  
 
==Einzelnachweise==
 
==Einzelnachweise==

Version vom 10. April 2012, 13:23 Uhr

E-Fixx [1]
E-Fixx-Logo
Schaltplan von E-Fixx

E-Fixx ist ein Scharlatanerieprodukt, von dem der Anbieter, die österreichische Firma H.M.S GmbH aus Lieserbrücke[2], behauptet, dass man damit Stromkosten um bis zu 20 Prozent senken könne. Das Gerät wurde über die Website www.e-fixx.com angeboten, die derzeit (April 2012) allerdings wegen "Wartungsarbeiten" nicht mehr abrufbar ist. Aus einer Stellungnahme der H.M.S GmbH gegenüber der österreichischen Verbraucherorganisation VKI geht hervor, dass der Vertrieb im November 2011 eingestellt wurde.[3]

Das Gerät soll mit Hilfe eines speziellen Mikrochips "Stromschwankungen regulieren", was wiederum den Stromverbrauch reduzieren soll. Geeignet sei E-Fixx für Computer, Fernsehgeräte, Haushaltsgeräte und ähnliches. Es handelt es sich um einen kleinen Kasten, der in eine Steckdose gesteckt wird und ansonsten nirgendwo angeschlossen ist. Allein dies macht eine Wirkung auf den Stromverbrauch von Elektrogeräten höchst zweifelhaft. Als eine Art Nebeneffekt soll E-Fixx auch vor so genanntem Elektrosmog schützen.

Aufbau

Im Gerät ist entgegen den Aussagen des Anbieters kein Mikrocontroller eingebaut. Es enthält lediglich zwei Kondensatoren, einen Brückengleichrichter, zwei Widerstände und zwei Leuchtdioden. Im Wesentlichen besteht es aus einem Kondensator von 6 µF, der parallel zum Netztanschluss liegt. Die übrigen Bauteile dienen nur zur Stromversorgung der beiden Leuchtdioden auf der Frontplatte.

Test des Vereins für Konsumenteninformation

Das Gerät wurde vom österreichischen Verein für Konsumenteninformation (VKI) getestet. In dem Test wurde der Stromverbrauch mit und ohne E-Fixx gemessen. Dabei konnten dabei keine signifikanten Unterschiede festgestellt werden.[4]

Positives Gutachten

Von der H.M.S GmbH wurde ein Gutachten des Wirschaftsinformatikers Dominic Neumann aus Graz präsentiert, der "allgemein beeideter und gerichtlich zertifizierter Sachverständiger für Informationstechnologie" und in Graz Gemeinderatsmitglied für die ÖVP ist. Neumann bescheinigt eine Stromersparnis von "12-13 Prozent" durch E-Fixx. Dazu habe er eine Woche lang auf nicht näher genannte Weise an verschiedenen elektischen Geräten in seinem Wohnzimmer gemessen.[1] Der Text ist in werbendem Stil gehalten und gibt unkritisch Behauptungen der Firma H.M.S. zur angeblichen Funktionsweise wieder. Auch findet sich die Passage, "dass die Einsparung von einem Kilowatt produzierten Strom ca. 2,67 kg CO2 einspart. Somit unterstützt das e-Fixx X-Home Stromsparsystem auch die CO2 Einsparung bei privaten Haushalten." Üblicherweise wird für eine Kilowattstunde nur rund ein Fünftel der von Neumann genannten CO2-Menge gerechnet.

Auf Nachfrage des VKI teilte der Händler H.M.S GmbH mit, dass "Bedenken über die Echtheit des Gutachtens gekommen" seien und man deshalb den Vertrieb am 16.11.2011 eingestellt und Kunden das Geld zurückgezahlt habe. Gutachter Neumann habe dem VKI gegenüber erklärt: "Mir wurde ein Gerät vorgelegt, das die Eigenschaften erfüllt. Es enthielt einen Mikrochip zur Stromersparnis. Das von der Firma verkaufte Seriengerät ist anders."[3]

Einzelnachweise

  1. 1,0 1,1 "Privatgutachten" von SV Dominic Neumann, MBA, vom 20. Mai 2011
  2. H.M.S Handel-Marketing-Service GesmbH, Gartenstrasse 99, A-9851 Lieserbrücke. Geschäftsführer: Martin Staudacher
  3. 3,0 3,1 Stellungnahme der H.M.S. GembH, gekürzt wiedergegeben in KONSUMENT 2/2012
  4. Stromspargerät von e-fixx. Keine Wirkung Konsument Heft 2/2012, Seite 9